A list of my current and past university projects.

CRAFT - Text Mining


  • EPFL : CRAFT
  • EFPL : Rolex Learning Center

Text Mining
JAVA, DBPEDIA

Key workds : JAVA, Lucen, Jena, DBPedia, Semantic, text mining, data mining, IA, Maching Learning.

Project:

Based on on-going work at CRAFT (Center For Research and Support for Trainning and its Technologies), this project will investigate the machine learning challenges of recognizing book titles and authors among a book. Data mining, artificial intelligence techniques and machine learning with Frederic Kaplan.


Unity - Stereoscopy Implementation


  • Unity : 3D Game Engine
  • Unity : Stereoscopie Implementation

3D game engine
Virtual Reality

Key workds : C#, JavaScript, Boo (Python), Unity, OpenGL, Stereoscopie, VRPN, Immersive room, WiiMote.

The Implementation :

I implement one way of creating stereo pairs within the Unity game engine. Since Unity does not support quad buffer stereo (also known as frame sequential stereo) the approach here is suited to dual projector stereoscopic projection, most commonly this would be a polaroid or Infitec based stereoscopic systems. The technique involves parallel cameras (as opposed to toe-in) and as such creates optimal stereo pairs without vertical parallax. So, the movement of the character is controlled by a Wiimote fixed on someone and connected to a VRPN.


QR ID - QR Code


  • QR ID , QR Code Project
  • QR ID : Confidential

QR Code
Services & Web Services

Key workds : SmartPhones, iPhone, Android, SDK, JAVA, Cocoa Touch.

Resume :

- Currently Confidential -


Sudent Application Manager


  • WxWidget : C++
  • SoftWare : Sudent Application Manager

Student DataBase Management
C++ - WxWidgets

Key workds : C++, WxWidget, XML, POO, DataBase, Manager, Doxygen.

Resume :

Student Database Manager for universities.


Analysis of psychotropic: 0+ Expert System


  • Allegro Common Lisp
  • Expert System 0+ - Drugs Analysis

Analysis of psychotropic
Common LISP - Common graphics tool

Key workds : Psychotropic, Expert System, Common LISP, LISP, 0+ Order, Functional Programmation, Drugs, Common Graphics Tool.

The Software :

Analysis of psychotropic is a system expert which help doctors/healthcare entity to diagnose what psychotropic has been consumed by someone. Through a simple, but efficient, user interface, the user indicates some information about the effects, duration, cost... about the substance to permit the system to diagnose the psychotropic which has been consumed. The system has been developed in Common Lisp and using the common graphics tool to design the user interface.


Development of the Zuthove Castle and organization of building work


  • Zuthove Castle
  • Zuthove Castle Plan - min

Zuthove Castle Development
Management

Key workds : GANTT Charts, Deadline, Strategy, Business Plan, Opportunities, Manager, Marketing, Communication.

Objectives (Project Begun in October 2008)

  • Project cost: 150 000 €
  • Time frame: 5 years
  • Early work in spring 2009

  • Performance promises to double the current profits
  • Proceeds from the project file to recover in January 2009, containing:
    • The schedule of work with study funding
    • The detail of the activities envisaged

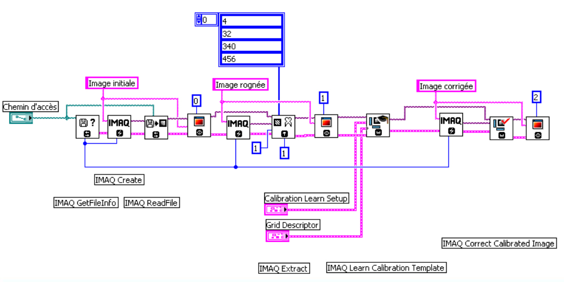
Road signs Recognition


  • LabView Certified Associate Developer
  • Sample IMAQ - LabView Code

Road signs Recognition
LabView - IMAQ

Key workds : LabView, Gauss, Sobel filter, image processing, Software, VI, IMAQ, C, Edge Detection, Pattern Analysis.

The Software :

The purpose is the automatical detection and classification of traffic signs in traffic scene images. My work was simplified and the road signs detection and classification system was based on a two-step algorithm composed of color segmentation and shape recognition. Colour information is used for the segmentation. And two different methods are used for shape detection, one is based on pattern matching with simple models and the other one is based on edge detection and geometrical cues. The human-computer interface is a voice saying what sign has been found.


PC Voltmeter / Frequency analyseur


  • Projet Electronique Cachan equipments
  • Projet Electronique Cachan Electronics Card

PC Voltmeter / Frequency analyseur
C - Electronic

Key workds : CVI, C, Electronic, PDO, Parallel Port, Operational Amplifier, Software, Numerique Analysis, C, Timers, Interruptions, ADC

The Project :

The project was to produce an analogique voltmeter and frquency analyseur which was controlled by a Personal Computer. The electronic achievment was linked to the Personal Computer with the Parallel Port. Developped with CVI and the C language, It was abble to calibrate Itself.